Annak érdekében, hogy fenntartsuk ezt a szigetet, szükségünk van bevételre. Te is támogathatsz minket, ha azt szeretnéd, hogy sokáig és stabilan tudjunk működni. Amennyiben élsz ezzel a lehetőséggel, azt mi megköszönjük!
Orsós magnók "reel to reel"
- tamagaba
- Törzsvendég

- Hozzászólások: 1394
- Csatlakozott: 2021.11.07., vas. 18:03
- Értékelés: 631
- Tartózkodási hely: Göd
- Kapcsolat:
Re: Orsós magnók
https://www.audiotapereview.com/2023_01 ... ox-pro-td9
https://sepeaaudio.com/content/Stellavo ... _1qp45ZDtc
Szép baleset belülről
https://sepeaaudio.com/content/Stellavo ... _1qp45ZDtc
Szép baleset belülről
Focar Diablo Reference - Chordel Solaris Signature - Esoteriq Titan Quantum Supreme
Deviant Mirage Pro - Chronos Master Virtuoso IV
Adrya Resor Centaury 6 - Bauers & Wilkans Etherium 9 - Griffon Hyperion II
Deviant Mirage Pro - Chronos Master Virtuoso IV
Adrya Resor Centaury 6 - Bauers & Wilkans Etherium 9 - Griffon Hyperion II
- tamagaba
- Törzsvendég

- Hozzászólások: 1394
- Csatlakozott: 2021.11.07., vas. 18:03
- Értékelés: 631
- Tartózkodási hely: Göd
- Kapcsolat:
Re: Orsós magnók
Kezdjük balról - phase LED
Középen fényes gomb mellette fekete
Már a nyomógörgő is fura
Feljebb a kalibráló potik csavarhúzóval jelezve hogy nem csak úgy tekergetni való
A görgőtől balra azt se tudom hogy mi
Jenőnek talán lesz ideje pár dolgot beírni
A ford pitch finomszabályzót sosem értettem hogy minek kell (és az azimutot sem)
Fix szervizbeállításnak kéne lenni
Középen fényes gomb mellette fekete
Már a nyomógörgő is fura
Feljebb a kalibráló potik csavarhúzóval jelezve hogy nem csak úgy tekergetni való
A görgőtől balra azt se tudom hogy mi
Jenőnek talán lesz ideje pár dolgot beírni
A ford pitch finomszabályzót sosem értettem hogy minek kell (és az azimutot sem)
Fix szervizbeállításnak kéne lenni
Focar Diablo Reference - Chordel Solaris Signature - Esoteriq Titan Quantum Supreme
Deviant Mirage Pro - Chronos Master Virtuoso IV
Adrya Resor Centaury 6 - Bauers & Wilkans Etherium 9 - Griffon Hyperion II
Deviant Mirage Pro - Chronos Master Virtuoso IV
Adrya Resor Centaury 6 - Bauers & Wilkans Etherium 9 - Griffon Hyperion II
- tamagaba
- Törzsvendég

- Hozzászólások: 1394
- Csatlakozott: 2021.11.07., vas. 18:03
- Értékelés: 631
- Tartózkodási hely: Göd
- Kapcsolat:
Re: Orsós magnók
Pénteki magnócska
majd megolvasom mi micsoda, mert vannak érdekes dolgok rajta
majd megolvasom mi micsoda, mert vannak érdekes dolgok rajta
Focar Diablo Reference - Chordel Solaris Signature - Esoteriq Titan Quantum Supreme
Deviant Mirage Pro - Chronos Master Virtuoso IV
Adrya Resor Centaury 6 - Bauers & Wilkans Etherium 9 - Griffon Hyperion II
Deviant Mirage Pro - Chronos Master Virtuoso IV
Adrya Resor Centaury 6 - Bauers & Wilkans Etherium 9 - Griffon Hyperion II
Re: Orsós magnók
Ez biztos, hogy egy szalagos magnót nem fog a szőnyeg szélére állítani egy kazettás, de egy JÓ kazettás magnó tud meglepetéseket okozni még akár műsoros kazettákkal is...
Re: Orsós magnók
Jo gep nagyon a Dragon, de egy orsosmagno meg takarek langon is erosebb jatekos. Sajnos ez egy technikai sport.
Core Audio termékek gyártása, TARA LABS kábelek forgalmazása
MBL, PrimaLuna, PASS Labs, ODEON, NAT Audio, Vivid, Entreq, Esoteric
MBL, PrimaLuna, PASS Labs, ODEON, NAT Audio, Vivid, Entreq, Esoteric
- tamagaba
- Törzsvendég

- Hozzászólások: 1394
- Csatlakozott: 2021.11.07., vas. 18:03
- Értékelés: 631
- Tartózkodási hely: Göd
- Kapcsolat:
Re: Orsós magnók
Raktam a B77-embe digi számlálót a Heroms-tól. Már tele volt a töksi a mehanikus kovakövivel.
Vért izzad a Dragon, hogy ezt a szintet tudja, amit az öreg matuzsi még így remegő lábbal fél sávon 19-en.
Ne legyek igazságtalan 4 szeres a sebesség és nem tudom hányszoros a szalag vastagság/szélesség.
Vért izzad a Dragon, hogy ezt a szintet tudja, amit az öreg matuzsi még így remegő lábbal fél sávon 19-en.
Ne legyek igazságtalan 4 szeres a sebesség és nem tudom hányszoros a szalag vastagság/szélesség.
Focar Diablo Reference - Chordel Solaris Signature - Esoteriq Titan Quantum Supreme
Deviant Mirage Pro - Chronos Master Virtuoso IV
Adrya Resor Centaury 6 - Bauers & Wilkans Etherium 9 - Griffon Hyperion II
Deviant Mirage Pro - Chronos Master Virtuoso IV
Adrya Resor Centaury 6 - Bauers & Wilkans Etherium 9 - Griffon Hyperion II
Online
- tunerman
- V.I.P.

- Hozzászólások: 3058
- Csatlakozott: 2007.09.21., pén. 17:26
- Értékelés: 3007
- Tartózkodási hely: Tatabánya
Re: Orsós magnók
Készülve az Audio Expo kiállításra - a 2SK180 unity coupled SE erősítő XLR bemenetét megküldtem a StellaVox SP8 600 ohmos szimmetrikus kimenetéről.
TJ.
TJ.
LP: Lurné J1/Air Tangent 1B/Kiseki Agaat, PHONO: Twin Servo MCRIAA, AMPLIFIER: 2SK180 unity coupled SE, CD: Philips CD100 trial run no NFB, TUNER: REL Precedent, CASSETTE: Nakamichi 1000/II, REEL: StellaMaster(SP-8) SPEAKER: Lowther P7M silver vc, TICONAL, HEADPHONES: Stax SRA-14S/SR-009
Re: Orsós magnók
Jelöld a polcot.greenbio írta: ↑2025.08.29., pén. 10:49sziasztok!
szeretném feljelölni sorszámmal a szalagjaimat, hogy a polcon ránézve tudjam, hogy melyiken mi van (nyilván erről lesz lista). ez sokkal kényelmesebb lenne, mint levenni, kinyitni, és szembesülni vele, hogy nem azt keresem, ami a kezemben van :) összefirkálni nem akarom, valami olyasmi kellene, ami nyom nélkül eltávolítható a keménypapír dobozról.
minden ötletet szívesen fogadok!
Az maszkolószalag lejön nyom nélkül, ha nem kap napot és vizet.
Szerintem!
Re: Orsós magnók
“Numbered dot stickers”-re rakeresel es sok linket ki fog dobni. En 1-500 szamozasut rendeltem fillerekert Temurol, fiam pedig katalogizalta tablazatba az osszeset. Jo es egyszeru megoldas.
Masik lehetoseg a gerincre ragaszthato matrica, az album, eloado felirasaval es ugy konnyen megtalalod amit keresel.
Masik lehetoseg a gerincre ragaszthato matrica, az album, eloado felirasaval es ugy konnyen megtalalod amit keresel.
Core Audio termékek gyártása, TARA LABS kábelek forgalmazása
MBL, PrimaLuna, PASS Labs, ODEON, NAT Audio, Vivid, Entreq, Esoteric
MBL, PrimaLuna, PASS Labs, ODEON, NAT Audio, Vivid, Entreq, Esoteric
Re: Orsós magnók
sziasztok!
szeretném feljelölni sorszámmal a szalagjaimat, hogy a polcon ránézve tudjam, hogy melyiken mi van (nyilván erről lesz lista). ez sokkal kényelmesebb lenne, mint levenni, kinyitni, és szembesülni vele, hogy nem azt keresem, ami a kezemben van :) összefirkálni nem akarom, valami olyasmi kellene, ami nyom nélkül eltávolítható a keménypapír dobozról.
minden ötletet szívesen fogadok!
szeretném feljelölni sorszámmal a szalagjaimat, hogy a polcon ránézve tudjam, hogy melyiken mi van (nyilván erről lesz lista). ez sokkal kényelmesebb lenne, mint levenni, kinyitni, és szembesülni vele, hogy nem azt keresem, ami a kezemben van :) összefirkálni nem akarom, valami olyasmi kellene, ami nyom nélkül eltávolítható a keménypapír dobozról.
minden ötletet szívesen fogadok!
- tottyi
- Hazajáró lélek

- Hozzászólások: 3826
- Csatlakozott: 2013.06.19., szer. 16:37
- Értékelés: 891
- Tartózkodási hely: Šamorín
Re: Orsós magnók
Csak a kodot teszed koze amikor megnyomod itt a cikkben a youtube gombot.kopaszbarack írta: ↑2025.08.13., szer. 10:38Ez a jutu linkelés nekem nem!
https://youtu.be/vaG5tVnpkwc?si=CIKwa_JTpMUszKgJ
A kod ebbol a videobol amit a linkben latsz fent ha megynitod a videot: vaG5tVnpkwc
A kod ami koze beteszed: [youtube][/youtube]
youtu.be/vaG5tVnpkwc
Audio PC - WW Platunim 7 | USB - Shunyata Research Sigma v2 | Chord Dave - WW Platinum 7 | WW Platinum Eclipse 8 XLR | Benchmark HPA4 | Hangfalkabel - Valhalla Draco Reference V3 XLR | ATC SCM150ASL Pro | Tapkabel hangfalba (2x) - WW Platinum 7 | Betapkabel - Valhalla Draco V3/2 HC R
Online
- kopaszbarack
- Nincs visszaút

- Hozzászólások: 165
- Csatlakozott: 2014.08.13., szer. 18:24
- Értékelés: 70
- Tartózkodási hely: Budapest
Re: Orsós magnók
Ez a jutu linkelés nekem nem!
https://youtu.be/vaG5tVnpkwc?si=CIKwa_JTpMUszKgJ
https://youtu.be/vaG5tVnpkwc?si=CIKwa_JTpMUszKgJ
Ez itt az a hely ahol az objektív is szubjektív.
Online
- kopaszbarack
- Nincs visszaút

- Hozzászólások: 165
- Csatlakozott: 2014.08.13., szer. 18:24
- Értékelés: 70
- Tartózkodási hely: Budapest
Re: Orsós magnók
[youtube]https://youtu.be/vaG5tVnpkwc?si=CIKwa_JTpMUszKgJ[/youtube]
Ez itt az a hely ahol az objektív is szubjektív.
Online
- kopaszbarack
- Nincs visszaút

- Hozzászólások: 165
- Csatlakozott: 2014.08.13., szer. 18:24
- Értékelés: 70
- Tartózkodási hely: Budapest
Online
- kopaszbarack
- Nincs visszaút

- Hozzászólások: 165
- Csatlakozott: 2014.08.13., szer. 18:24
- Értékelés: 70
- Tartózkodási hely: Budapest
Re: Orsós magnók
[youtube]vaG5tVnpkwc?si=CIKwa_JTpMUszKgJ[/youtube]
Ez itt az a hely ahol az objektív is szubjektív.
Re: Orsós magnók
Gyönyörű és milyen eszelősen finoman szól.Voyager írta: ↑2024.11.10., vas. 13:00Ha valaki esetleg nem szeretné még eléggé.
youtu.be/6AlBhAvWZ-0
Mondjuk a mjúzik se gyenge.
AudioPc+SotM lan usb cclk switch,Bricasti M1 dac,Core Audio Karuna Ref, Soulnote A3 erősítő, Odeon Helix hangfal
Technics SP10mk2+Glanz10Bt,Hana Umami Red pu Soulnote E1 phono ,WW Platinum8 XLR hegyek,Valhalla Draco Ref aes/ebu, Hydrasound usb, Vertere LAN, WW Platinum tápok
Technics SP10mk2+Glanz10Bt,Hana Umami Red pu Soulnote E1 phono ,WW Platinum8 XLR hegyek,Valhalla Draco Ref aes/ebu, Hydrasound usb, Vertere LAN, WW Platinum tápok
- Camelflapping
- Lefelé a lejtőn

- Hozzászólások: 81
- Csatlakozott: 2017.04.26., szer. 22:51
- Értékelés: 31
Re: Orsós magnók
Üdv!
Stúdiómagnó szervizelés Fostex 16-B
Tud-e valaki olyat, aki profi, nem önjelölt mester, és be tudna állítani egy Fostex 16-B 16 sávos
stúdiómagnót.
A készülék még érintetlen belsővel szervizelésre, élesztésre vár...
Stúdiómagnó szervizelés Fostex 16-B
Tud-e valaki olyat, aki profi, nem önjelölt mester, és be tudna állítani egy Fostex 16-B 16 sávos
stúdiómagnót.
A készülék még érintetlen belsővel szervizelésre, élesztésre vár...
"Annál is hihetetlenebb..."
- Voyager
- V.I.P.

- Hozzászólások: 4936
- Csatlakozott: 2009.03.21., szomb. 21:59
- Értékelés: 2130
- Tartózkodási hely: Székesfehérvár
Re: Orsós magnók
„Vén épület már a világ. Le, alacsonyra sűlyedett. Ha egyenest jársz: beütöd a gerendában fejedet. Hajolj meg, ha a fejtörő gerenda ellenedre van...
Én inkább betöröm fejem, semhogy meghajtsam derekam!”
Én inkább betöröm fejem, semhogy meghajtsam derekam!”
Online
- tunerman
- V.I.P.

- Hozzászólások: 3058
- Csatlakozott: 2007.09.21., pén. 17:26
- Értékelés: 3007
- Tartózkodási hely: Tatabánya
Re: Orsós magnók
"Ha már lúd, legyen kövér!"
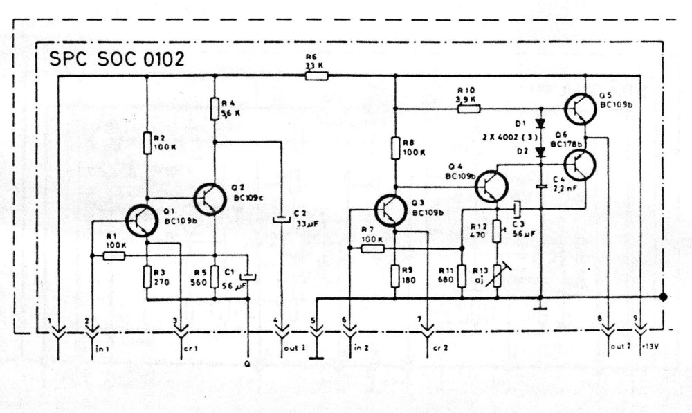
A higend modifikációk egyik mozgatórugója a minél átgondoltabb, a végsőkig elmenő átalakítás, és ezzel a kifinomultabb hangzás elérése. Ennek szellemében léptem meg az egyik legutolsó? átalakìtásomat a Stellavox SP-8 magnómon.
Mivel csak lejátszásra van kialakítva a StellaMaster fejegységem, és részemre más gépeken vesznek fel szalagmásolatokat - felötlött bennem, hogy lejátszáskor a SIZ modul a felvett szalag BIAS frekvenciájára legyen hangolva.
Mivel a másolatok Studer A80-on készültek, aminek a BIAS áramköre 150kHz-es frekvencián dolgozik, egyértelmű volt, hogy 150kHz-re hangoljam be a saját DIY SIZ utánépített panelomat.
Várhatóan a szivókör némileg csökkenti a lejátszásnál előbújó maradék 150kHz-es BIAS komponensek okozta zajszintet.
TJ.
A higend modifikációk egyik mozgatórugója a minél átgondoltabb, a végsőkig elmenő átalakítás, és ezzel a kifinomultabb hangzás elérése. Ennek szellemében léptem meg az egyik legutolsó? átalakìtásomat a Stellavox SP-8 magnómon.
Mivel csak lejátszásra van kialakítva a StellaMaster fejegységem, és részemre más gépeken vesznek fel szalagmásolatokat - felötlött bennem, hogy lejátszáskor a SIZ modul a felvett szalag BIAS frekvenciájára legyen hangolva.
Mivel a másolatok Studer A80-on készültek, aminek a BIAS áramköre 150kHz-es frekvencián dolgozik, egyértelmű volt, hogy 150kHz-re hangoljam be a saját DIY SIZ utánépített panelomat.
Várhatóan a szivókör némileg csökkenti a lejátszásnál előbújó maradék 150kHz-es BIAS komponensek okozta zajszintet.
TJ.
LP: Lurné J1/Air Tangent 1B/Kiseki Agaat, PHONO: Twin Servo MCRIAA, AMPLIFIER: 2SK180 unity coupled SE, CD: Philips CD100 trial run no NFB, TUNER: REL Precedent, CASSETTE: Nakamichi 1000/II, REEL: StellaMaster(SP-8) SPEAKER: Lowther P7M silver vc, TICONAL, HEADPHONES: Stax SRA-14S/SR-009
Online
- tunerman
- V.I.P.

- Hozzászólások: 3058
- Csatlakozott: 2007.09.21., pén. 17:26
- Értékelés: 3007
- Tartózkodási hely: Tatabánya
Re: Orsós magnók
Érdekes tapasztalokról írnék a Stellavox SP-8-as magnóm recap-ja utáni helyzetben - lehet nem sok embert érint, de akinek '50-es, '60-as évekbeli felvételei vannak azokat biztosan
Már a 2023-as HiFi Show-ra megnöveltem az SP8 belső tápegységének (SSC modul) a feszültségét 13 voltról 14,7 voltra. Ennek inkább a nagyobb kivezérlésű szalagok várhatóan jobbhangú lejátszása volt az oka.
Viszont most a BG kondik a recapja után észrevettem, hogy a régi felvételek (Kind of Blue, Time out) időnkénti csúcskivezérlései az SP8 műszereinél "koppanásig" mennek - nade kérem szépen az +7dB
A Stellavox SP-8-as lejátszás oldali fejegysége Stellamaster specifikációval, 514 nwb/m-es szinten kalibrálva van...akkor lehet, hogy ezeken a régi csöves mesterfelvételeken nem volt limiter bekapcsolva?
Megnéztem oszcilloszkópon is ezeket a csúcskivezérelt beütéseket, és 12v PP jelnagyságot is láttam
Ez legfőképp azt jelenti, hogy a lejátszási hangfrekvenciás kimeneti fokozat nagyjelű viselkedése elsőrangú kérdéssé vált, főleg akkor, ha én ezzel a géppel demózni szeretnék a következő HiFi Show-n...
Mindebből azt a következtetést vontam le, hogy a tápfeszültség növelése még csak az első lépés volt a nagyobb dinamika lejátszása érdekében - még ennél is több kellene. És eszembe jutott a nagyjelű kimeneti fokozatok régóta használt, erre az esetre való egyszerű mankója - a bootstrap
Mindjárt át is alakítottam az eredeti kimeneti részt, a modifikáció rajzát fel is teszem.
TJ.
Már a 2023-as HiFi Show-ra megnöveltem az SP8 belső tápegységének (SSC modul) a feszültségét 13 voltról 14,7 voltra. Ennek inkább a nagyobb kivezérlésű szalagok várhatóan jobbhangú lejátszása volt az oka.
Viszont most a BG kondik a recapja után észrevettem, hogy a régi felvételek (Kind of Blue, Time out) időnkénti csúcskivezérlései az SP8 műszereinél "koppanásig" mennek - nade kérem szépen az +7dB
Megnéztem oszcilloszkópon is ezeket a csúcskivezérelt beütéseket, és 12v PP jelnagyságot is láttam
Ez legfőképp azt jelenti, hogy a lejátszási hangfrekvenciás kimeneti fokozat nagyjelű viselkedése elsőrangú kérdéssé vált, főleg akkor, ha én ezzel a géppel demózni szeretnék a következő HiFi Show-n...
Mindebből azt a következtetést vontam le, hogy a tápfeszültség növelése még csak az első lépés volt a nagyobb dinamika lejátszása érdekében - még ennél is több kellene. És eszembe jutott a nagyjelű kimeneti fokozatok régóta használt, erre az esetre való egyszerű mankója - a bootstrap
Mindjárt át is alakítottam az eredeti kimeneti részt, a modifikáció rajzát fel is teszem.
TJ.
- Csatolmányok
-
- Stellavox SP-8 SSC supply mod..jpeg (76.71 KiB) Megtekintve 4210 alkalommal
-
- Stellavox SP-8 SPC-SOC output mod..jpeg (57.57 KiB) Megtekintve 4210 alkalommal
LP: Lurné J1/Air Tangent 1B/Kiseki Agaat, PHONO: Twin Servo MCRIAA, AMPLIFIER: 2SK180 unity coupled SE, CD: Philips CD100 trial run no NFB, TUNER: REL Precedent, CASSETTE: Nakamichi 1000/II, REEL: StellaMaster(SP-8) SPEAKER: Lowther P7M silver vc, TICONAL, HEADPHONES: Stax SRA-14S/SR-009
Re: Orsós magnók
Tud valaki ajanlani olyan szakit, aki biztos kezzel at tud nezni, felujitani egy NAGRA 4.2-t?
Hasznalt, eleg rossz borben van, hagyatekbol szarmazik, van a hazai audio iparaghoz kotodese, es aki orokolte szeretne emiatt megfelelo allapotban tudni.
(Bocs, meg annyit hozza, hogy ha lehet nem 1 ev 4 honap alatt, hanem atnezest kovetoen belathato, tervezheto koltsegekkel).
Koszonom!
Hasznalt, eleg rossz borben van, hagyatekbol szarmazik, van a hazai audio iparaghoz kotodese, es aki orokolte szeretne emiatt megfelelo allapotban tudni.
(Bocs, meg annyit hozza, hogy ha lehet nem 1 ev 4 honap alatt, hanem atnezest kovetoen belathato, tervezheto koltsegekkel).
Koszonom!
Core Audio termékek gyártása, TARA LABS kábelek forgalmazása
MBL, PrimaLuna, PASS Labs, ODEON, NAT Audio, Vivid, Entreq, Esoteric
MBL, PrimaLuna, PASS Labs, ODEON, NAT Audio, Vivid, Entreq, Esoteric
Online
- tunerman
- V.I.P.

- Hozzászólások: 3058
- Csatlakozott: 2007.09.21., pén. 17:26
- Értékelés: 3007
- Tartózkodási hely: Tatabánya
Re: Orsós magnók
OFF
Kicsit messze kerültünk az orsós magnók témakörétől, jó lenne ha ezt észrevennétek...
TJ.
ON
Kicsit messze kerültünk az orsós magnók témakörétől, jó lenne ha ezt észrevennétek...
TJ.
ON
LP: Lurné J1/Air Tangent 1B/Kiseki Agaat, PHONO: Twin Servo MCRIAA, AMPLIFIER: 2SK180 unity coupled SE, CD: Philips CD100 trial run no NFB, TUNER: REL Precedent, CASSETTE: Nakamichi 1000/II, REEL: StellaMaster(SP-8) SPEAKER: Lowther P7M silver vc, TICONAL, HEADPHONES: Stax SRA-14S/SR-009
Re: Orsós magnók
Eleg sok kondi termekspecifikaciojat olvasgatjuk, es igaz rajuk, hogy a papir sok mindent elbir + a masik veglet meg az 1000 orat irunk annyit biztosan tud kategoria.
Akarhogy is ha most egy uj 105-125C fokos specifikacioju kondit megvasarolunk, az minimum 10-15-20 ev elonnyel indul akarmilyen BG-vel szemben (most hangminosegrol nem beszelve).
Ahogy az elekroncsovek eseten is erdemes az uj gyartasu jokat megnezni hiszen a NOS keszleteknek hamarosan vege, lassan erdemes jonalternativak utan nezni BG eseten is. Persze a mitoszba kapaszkodas eros tud lenni.
Akarhogy is ha most egy uj 105-125C fokos specifikacioju kondit megvasarolunk, az minimum 10-15-20 ev elonnyel indul akarmilyen BG-vel szemben (most hangminosegrol nem beszelve).
Ahogy az elekroncsovek eseten is erdemes az uj gyartasu jokat megnezni hiszen a NOS keszleteknek hamarosan vege, lassan erdemes jonalternativak utan nezni BG eseten is. Persze a mitoszba kapaszkodas eros tud lenni.
Core Audio termékek gyártása, TARA LABS kábelek forgalmazása
MBL, PrimaLuna, PASS Labs, ODEON, NAT Audio, Vivid, Entreq, Esoteric
MBL, PrimaLuna, PASS Labs, ODEON, NAT Audio, Vivid, Entreq, Esoteric
Online
- általános, kommersz felhasználási célra gyártott elektrolit kondenzátorok
- ipari/katonai célra gyártott és a long life élettartamú elektrolit kondenzátorok
- tárolási élettartam (pl. adott hömérséklet, páratartalom)
- garantált üzemóra 25°C-on
- garantált üzemóra 85°C-on
- grantált üzemóra 105-125°C-on
Annyit azért közölnék, hogy a Black Gate kondenzátorok eleve High End audio kategóríás felhasználási területre, és az ahhoz tartozó megbizhatósági követelmények szerint készültek.
Megnyugtatok mindenkit, a Stellavox SP8-as professzionális magnómban nem a BG kondenzátorok jelentik a leggyengébb pontot...sőt, úgy vélem, hogy ezzel a recappal a legmagasabb hangzási szintre lépett ez a híres készülék.
TJ.
- tunerman
- V.I.P.

- Hozzászólások: 3058
- Csatlakozott: 2007.09.21., pén. 17:26
- Értékelés: 3007
- Tartózkodási hely: Tatabánya
Re: Orsós magnók
Szóval javasolnám az elektrolit kondenzátorok adatatainak elemzését, különös tekintettel a következő kategóriákra:wittao írta: ↑2024.09.07., szomb. 10:24En ezt keszseggel elhiszem, de azert van, ami mar tonkrement 15-30 eves keszulekekben es azt is cserelik. Ezert kerdezem, hogy valoszinu nem orok elet, meg egy nap. Es ha nincsen hasznalatban, csak egy zacskoban, az elektrolit kondiknak a stopper akkor is szalad.
- általános, kommersz felhasználási célra gyártott elektrolit kondenzátorok
- ipari/katonai célra gyártott és a long life élettartamú elektrolit kondenzátorok
- tárolási élettartam (pl. adott hömérséklet, páratartalom)
- garantált üzemóra 25°C-on
- garantált üzemóra 85°C-on
- grantált üzemóra 105-125°C-on
Annyit azért közölnék, hogy a Black Gate kondenzátorok eleve High End audio kategóríás felhasználási területre, és az ahhoz tartozó megbizhatósági követelmények szerint készültek.
Megnyugtatok mindenkit, a Stellavox SP8-as professzionális magnómban nem a BG kondenzátorok jelentik a leggyengébb pontot...sőt, úgy vélem, hogy ezzel a recappal a legmagasabb hangzási szintre lépett ez a híres készülék.
TJ.
LP: Lurné J1/Air Tangent 1B/Kiseki Agaat, PHONO: Twin Servo MCRIAA, AMPLIFIER: 2SK180 unity coupled SE, CD: Philips CD100 trial run no NFB, TUNER: REL Precedent, CASSETTE: Nakamichi 1000/II, REEL: StellaMaster(SP-8) SPEAKER: Lowther P7M silver vc, TICONAL, HEADPHONES: Stax SRA-14S/SR-009
Re: Orsós magnók
En ezt keszseggel elhiszem, de azert van, ami mar tonkrement 15-30 eves keszulekekben es azt is cserelik. Ezert kerdezem, hogy valoszinu nem orok elet, meg egy nap. Es ha nincsen hasznalatban, csak egy zacskoban, az elektrolit kondiknak a stopper akkor is szalad.
Core Audio termékek gyártása, TARA LABS kábelek forgalmazása
MBL, PrimaLuna, PASS Labs, ODEON, NAT Audio, Vivid, Entreq, Esoteric
MBL, PrimaLuna, PASS Labs, ODEON, NAT Audio, Vivid, Entreq, Esoteric