Ezt árulod most 200 ért itt a fórumon?
viewtopic.php?p=2674059#p2674059

Szia! Működött a dolog. Szinte tökéletes lett. Köszi szépen mégegyszer a segítséget!Totoka írta: ↑2022.01.06., csüt. 20:23Szia!zoli73 írta: ↑2022.01.05., szer. 21:49Szia!Totoka írta: ↑2022.01.05., szer. 20:14Sziasztok!
Segítségért fordulok hozzátok, hátha találkozott már valaki a jelenséggel. Adott egy Jbl Studio 230-as hangfal. A magashangszoró körüli gumiszerű borítás ragadós lett. Egyszerűen nem lehet takarítani. Előtte se használtam semmilyen vegyszert a takarításához. Tanácstalan vagyok már ez ügyben. Jbl szerviznek is írtam már, Ők annyit mondtak kifutott modell, alkatrész nincs már hozzá. Képet is mellékelek, hogy lássátok miről van szó. Köszönök előre is minden segítséget.
Üdv.: Tamás![]()
Két ízben már találkoztam a "jelenséggel". Egyik az Apósom autójának a műszerfalán egy terület, a masik a távcsövem borítása. Mindkettő ugyanazzal a csúszásmentes felülettel rendelkezett, és egy idő után ugyanez a ragacsosság jelentkezett.
A megoldás a denaturált szesz! A műanyag felületeket nem károsítja, de ezt a ragacsot hatékonyan, és maradéktalanúl eltávolítja.
Gondolom, mikor ezt a csúszásmentes, gumi szerű felületet kifejlesztették, nem gontolták, hogy viszonylag rövid időn belül(az említett példáim alapján 8-10év), ilyen állapot változáson megy keresztül a felület.
Sok sikert! Majd számolj be róla, hogy sikerült!
Köszi szépen a segítséget! Mindenképp fogok jelentkezni az eredménnyel.
Szia!zoli73 írta: ↑2022.01.05., szer. 21:49Szia!Totoka írta: ↑2022.01.05., szer. 20:14Sziasztok!
Segítségért fordulok hozzátok, hátha találkozott már valaki a jelenséggel. Adott egy Jbl Studio 230-as hangfal. A magashangszoró körüli gumiszerű borítás ragadós lett. Egyszerűen nem lehet takarítani. Előtte se használtam semmilyen vegyszert a takarításához. Tanácstalan vagyok már ez ügyben. Jbl szerviznek is írtam már, Ők annyit mondtak kifutott modell, alkatrész nincs már hozzá. Képet is mellékelek, hogy lássátok miről van szó. Köszönök előre is minden segítséget.
Üdv.: Tamás![]()
Két ízben már találkoztam a "jelenséggel". Egyik az Apósom autójának a műszerfalán egy terület, a masik a távcsövem borítása. Mindkettő ugyanazzal a csúszásmentes felülettel rendelkezett, és egy idő után ugyanez a ragacsosság jelentkezett.
A megoldás a denaturált szesz! A műanyag felületeket nem károsítja, de ezt a ragacsot hatékonyan, és maradéktalanúl eltávolítja.
Gondolom, mikor ezt a csúszásmentes, gumi szerű felületet kifejlesztették, nem gontolták, hogy viszonylag rövid időn belül(az említett példáim alapján 8-10év), ilyen állapot változáson megy keresztül a felület.
Sok sikert! Majd számolj be róla, hogy sikerült!

Én sem saját kútfőből tudom. A kollégám fia tanácsolta, aki autószerelő. Elmondása szerint, sajnos sok autóban alkalmazták ezt a felületet a 2000' évektől, és mára mind így néz ki. Szerencsére van megoldás.trane írta: ↑2022.01.05., szer. 21:50natessékzoli73 írta: ↑2022.01.05., szer. 21:49
Szia!
Két ízben már találkoztam a "jelenséggel". Egyik az Apósom autójának a műszerfalán egy terület, a masik a távcsövem borítása. Mindkettő ugyanazzal a csúszásmentes felülettel rendelkezett, és egy idő után ugyanez a ragacsosság jelentkezett.
A megoldás a denaturált szesz! A műanyag felületeket nem károsítja, de ezt a ragacsot hatékonyan, és maradéktalanúl eltávolítja.
Gondolom, mikor ezt a csúszásmentes, gumi szerű felületet kifejlesztették, nem gontolták, hogy viszonylag rövid időn belül(az említett példáim alapján 8-10év), ilyen állapot változáson megy keresztül a felület.
Sok sikert! Majd számolj be róla, hogy sikerült!![]()

Szia!Totoka írta: ↑2022.01.05., szer. 20:14Sziasztok!
Segítségért fordulok hozzátok, hátha találkozott már valaki a jelenséggel. Adott egy Jbl Studio 230-as hangfal. A magashangszoró körüli gumiszerű borítás ragadós lett. Egyszerűen nem lehet takarítani. Előtte se használtam semmilyen vegyszert a takarításához. Tanácstalan vagyok már ez ügyben. Jbl szerviznek is írtam már, Ők annyit mondtak kifutott modell, alkatrész nincs már hozzá. Képet is mellékelek, hogy lássátok miről van szó. Köszönök előre is minden segítséget.
Üdv.: Tamás![]()

A kérdésed átkerült a helyére.Totoka írta: ↑2022.01.05., szer. 20:14Sziasztok!
Segítségért fordulok hozzátok, hátha találkozott már valaki a jelenséggel. Adott egy Jbl Studio 230-as hangfal. A magashangszoró körüli gumiszerű borítás ragadós lett. Egyszerűen nem lehet takarítani. Előtte se használtam semmilyen vegyszert a takarításához. Tanácstalan vagyok már ez ügyben. Jbl szerviznek is írtam már, Ők annyit mondtak kifutott modell, alkatrész nincs már hozzá. Képet is mellékelek, hogy lássátok miről van szó. Köszönök előre is minden segítséget.
Üdv.: Tamás![]()


nos semmi közöm az eladóhoz,semmi érdekeltségem sincs,találtam egy érdekes fényképet egy másik,fekete,zongoralakk 250TiLE-röl,és vannak azon is érdekes,látható "pikkelyezések",nem vagyok fényezési szakértő,talán látható...és elgondolkodtató....zoli73 írta: ↑2021.12.29., szer. 08:24Szerintem ez nem az eredeti festése, újra fényezhették, és hát mi tagadás, tényleg nem lett a legszebb.szj4 írta: ↑2021.12.29., szer. 05:36Nekem ennek a hirdetett 250ti-nek a festése gyanús. Ha megnézed borzalmasan ronda narancsos. Nem tudom, hogy ez gyárilag is ilyen volt-e.zoli73 írta: ↑2021.12.28., kedd 17:53
Persze, ha nagyot kell állmodni, akkor miért ne, én is megküzdenék vele, de ez az 5000-hez képest, kb. 3X-os ár, nekem már az elérhetetlen kategória. Ezért nem is bizserget, hogy kínálnak 250 Ti-t, lőtávolon kívül esik. Azért, ha lenne rá lehetőség, szívesen meghallgatnék egyet.
Azt gondolom, nálam talán nem a meghajtással van a gond, sokkal inkább az elhelyezéssel, akusztikával.
E téren a lehetőségeim igen korlátozottak.
Egyébként egy nagyon jó hangfal. Hallottam többször, bár az első fa furnéros kiadást. Tetszett is.
Azért egy kb. 25-30 éves hangsugárzót ilyen állapotban(karc, ütődés, horzsolás mentesen) megőrizni, még a legnagyobb odafigyelés mellett sem lehet.

Szerintem ez nem az eredeti festése, újra fényezhették, és hát mi tagadás, tényleg nem lett a legszebb.szj4 írta: ↑2021.12.29., szer. 05:36Nekem ennek a hirdetett 250ti-nek a festése gyanús. Ha megnézed borzalmasan ronda narancsos. Nem tudom, hogy ez gyárilag is ilyen volt-e.zoli73 írta: ↑2021.12.28., kedd 17:53
Persze, ha nagyot kell állmodni, akkor miért ne, én is megküzdenék vele, de ez az 5000-hez képest, kb. 3X-os ár, nekem már az elérhetetlen kategória. Ezért nem is bizserget, hogy kínálnak 250 Ti-t, lőtávolon kívül esik. Azért, ha lenne rá lehetőség, szívesen meghallgatnék egyet.
Azt gondolom, nálam talán nem a meghajtással van a gond, sokkal inkább az elhelyezéssel, akusztikával.
E téren a lehetőségeim igen korlátozottak.
Egyébként egy nagyon jó hangfal. Hallottam többször, bár az első fa furnéros kiadást. Tetszett is.

Persze, ha nagyot kell állmodni, akkor miért ne, én is megküzdenék vele, de ez az 5000-hez képest, kb. 3X-os ár, nekem már az elérhetetlen kategória. Ezért nem is bizserget, hogy kínálnak 250 Ti-t, lőtávolon kívül esik. Azért, ha lenne rá lehetőség, szívesen meghallgatnék egyet.dixie-chicken írta: ↑2021.12.28., kedd 17:32nem szeretnék belekontárkodni,ahol nékem sikerült fülügyre kapnom normális körülmények között egy 250tiLE-t(talán az volt a jelzése, ?),az sem volt egy hűdenagy szoba,talán 22-25m2+oladlra nyiló ebédlő..nagyvonalú,csuklóbol zenélő,folyékony hang...és ha igaz az "urban legend",könnyebb kiszolgálni amplifikáció oldalrol a 250-est,mint az 5000ti-t,és a "nagyobb" méret,sokszor,nem hoz több gondotzoli73 írta: ↑2021.12.28., kedd 11:45Ez valóban egy filléres tuning. Talán, majd ha egyszer Ti 250-em lesz, akkor elmondom mit tapasztalok, de ahhoz kicsivel(inkább sokkal) több hely is kellene. Sajnos a Ti 5000-im sem érzik magukat a legjobban nálam, nem igazán azt nyújtják ami elvárható volna. Ez leginkább az akusztikára vezethető vissza, amivel kapcsolatban sajnos szinte teljesen tehetetlen vagyok. Ennek ellenére, így is nagyon jó a produkció, de hogy egy neki megfelelő környezetben mire is lenne képes, azt csak talalgatni tudom....szivesebben küzdenék ha kell vele,kis(ebb) szobában is,mint egy jó pár minimonitoral...
de szwsz 3x..
![]()

nem szeretnék belekontárkodni,ahol nékem sikerült fülügyre kapnom normális körülmények között egy 250tiLE-t(talán az volt a jelzése, ?),az sem volt egy hűdenagy szoba,talán 22-25m2+oladlra nyiló ebédlő..nagyvonalú,csuklóbol zenélő,folyékony hang...és ha igaz az "urban legend",könnyebb kiszolgálni amplifikáció oldalrol a 250-est,mint az 5000ti-t,és a "nagyobb" méret,sokszor,nem hoz több gondotzoli73 írta: ↑2021.12.28., kedd 11:45Ez valóban egy filléres tuning. Talán, majd ha egyszer Ti 250-em lesz, akkor elmondom mit tapasztalok, de ahhoz kicsivel(inkább sokkal) több hely is kellene. Sajnos a Ti 5000-im sem érzik magukat a legjobban nálam, nem igazán azt nyújtják ami elvárható volna. Ez leginkább az akusztikára vezethető vissza, amivel kapcsolatban sajnos szinte teljesen tehetetlen vagyok. Ennek ellenére, így is nagyon jó a produkció, de hogy egy neki megfelelő környezetben mire is lenne képes, azt csak talalgatni tudom.

Nem vonom kétségbe, hogy működik ez a megoldás.

Ez valóban egy filléres tuning. Talán, majd ha egyszer Ti 250-em lesz, akkor elmondom mit tapasztalok, de ahhoz kicsivel(inkább sokkal) több hely is kellene. Sajnos a Ti 5000-im sem érzik magukat a legjobban nálam, nem igazán azt nyújtják ami elvárható volna. Ez leginkább az akusztikára vezethető vissza, amivel kapcsolatban sajnos szinte teljesen tehetetlen vagyok. Ennek ellenére, így is nagyon jó a produkció, de hogy egy neki megfelelő környezetben mire is lenne képes, azt csak talalgatni tudom.


Nem szokványos, de ha két 9V-os elemen múlik 3/4 évente, hogy annyival jobb hangot kapj (mint ahogyan a külföldi userek írják) akkor nem kérdéses.

A legtöbb kép, amit találtam róla, azoknál mind kívűl volt az elem. Mindenesetre érdekes konstrukció, nem éppen szokványos.

Szerintem annyi lehet "trükk" az itt árult doboznál, hogy a kabinet belsejéből "kirakták" az elemet a tartójával együtt, hogy ne kelljen mindig leszerelni a csatlakozó tálcát az elemcseréhez.

Köszönöm, már írtam választ is.dixie-chicken írta: ↑2021.12.28., kedd 10:49@zoli73:átküldtem e-mailre a linket...explorer vagy chrome,nekem simán megnyitja![]()


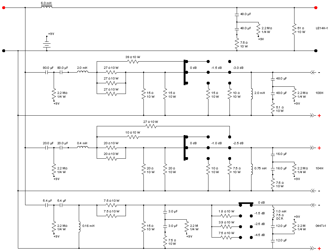
Köszönöm!tonee73 írta: ↑2021.12.28., kedd 09:57A crossover "charge coupled networks" vagy "charge coupled crossovers"mod része.Itt találsz leírást és pár képet is a dologról:zoli73 írta: ↑2021.12.28., kedd 09:17Adott ez a https://www.avx.hu/forum/viewtopic.php?f=33&t=165590 hangsugárzópár.
Az lenne a kérdésem, hogy az az 1-1 db 9V-os elem a hátlapon mire szolgál?
Privátban megkérdeztem a gazdájat, de igazáböl Ő sem tudja. Próbáltam keresgélni utána, de csak arra jutottam, hogy gyárilag ez nincs rajta, hanem valami hangváltó áttervezés/modifikálás része, de arra semilyen utalást nem találtam, hogy konkrétan mi a szerepe a 9V-os elemeknek.
Köszönöm, ha valaki elmagyarázza!
A harmadik oldalon van kapcs rajz is a modról.
http://www.audioheritage.org/vbulletin/ ... ifferences
A fekete öves 250 tulajok olvasatom szerint mind jelentős hang javulásról számolnak be (a műszaki angolom nem a legjobb, ezért ne kérj részletes fordítást a tuningról, ebben talán trane segíthet neked)
l250 002.jpg
xoverandqsc 006.jpg
n250ti biased.gif
Itt szintén leírják és rajz is van:
https://www.stereonet.com/forums/topic/ ... brigade-d/
szerk.:dixie hsz-ét olvasva utólag rájöttem, hogy ez gyárilag is benne van a 250Ti-ben és a jubilee-ben (tehát a tuning a sima 250 váltójának 250Ti-nél használt váltóra való upgrade-jét érinti).
"A 250Ti hangváltója egy 9v-os elemet használ a közép, a magas és az ultra magas frekvenciás áramköben használt kondenzátorok töltésének szinten tartására.Erre azért van szükség hogy a kondenzátorok folyamatosan "Class A" módban működjenek.Ezáltal a rendszer (hangváltó) több részletetet és jobb térbeli mejelenítést biztosít a hagyományos (e nélküli) hangváltóhoz képest.A váltó áramfelvétele nagyon kicsi, így az elemcsere 3-4 évente esedékes..."

A crossover "charge coupled networks" vagy "charge coupled crossovers"mod része.Itt találsz leírást és pár képet is a dologról:zoli73 írta: ↑2021.12.28., kedd 09:17Adott ez a https://www.avx.hu/forum/viewtopic.php?f=33&t=165590 hangsugárzópár.
Az lenne a kérdésem, hogy az az 1-1 db 9V-os elem a hátlapon mire szolgál?
Privátban megkérdeztem a gazdájat, de igazáböl Ő sem tudja. Próbáltam keresgélni utána, de csak arra jutottam, hogy gyárilag ez nincs rajta, hanem valami hangváltó áttervezés/modifikálás része, de arra semilyen utalást nem találtam, hogy konkrétan mi a szerepe a 9V-os elemeknek.
Köszönöm, ha valaki elmagyarázza!

benne van a user manual-ban:zoli73 írta: ↑2021.12.28., kedd 09:19Adott ez a https://www.avx.hu/forum/viewtopic.php?f=33&t=165590 hangsugárzópár.
Az lenne a kérdésem, hogy az az 1-1 db 9V-os elem a hátlapon mire szolgál?
Privátban megkérdeztem a gazdájat, de igazáböl Ő sem tudja. Próbáltam keresgélni utána, de csak arra jutottam, hogy gyárilag ez nincs rajta, hanem valami hangváltó áttervezés/modifikálás része, de arra semilyen utalást nem találtam, hogy konkrétan mi a szerepe a 9V-os elemeknek.
Köszönöm, ha valaki elmagyarázza!

